Oak tree 60864 views. The purchase date and dealer information were unknown.
Wiper Relay Location Where Is The Wiper Relay Switch Located
2000 ford f250 wiper relay location. Stop lamp switch logic. Shopdealer price 9561 10357. Instrument cluster power train control module pcm keep alive memory. 1505 shipping. Stop lamps center high mount stop lamp trailer tow stop lamp speed control. 2002 2005 fuses 2 power point floor console 3 power point 3rd row 4 power point instrument panel 5 power point right rear quarter and 12 cigar lighter in the.
Cigar lighter data link connector. 775 shipping. 2000 ford f 250 super duty flasher unit relay removal install. The contact owns a 2000 ford f250 super duty. The current and failure mileages were 103000. While driving 70 mph the contact activated the windshield wipers and they eventually stopped working in the middle of the windshield.
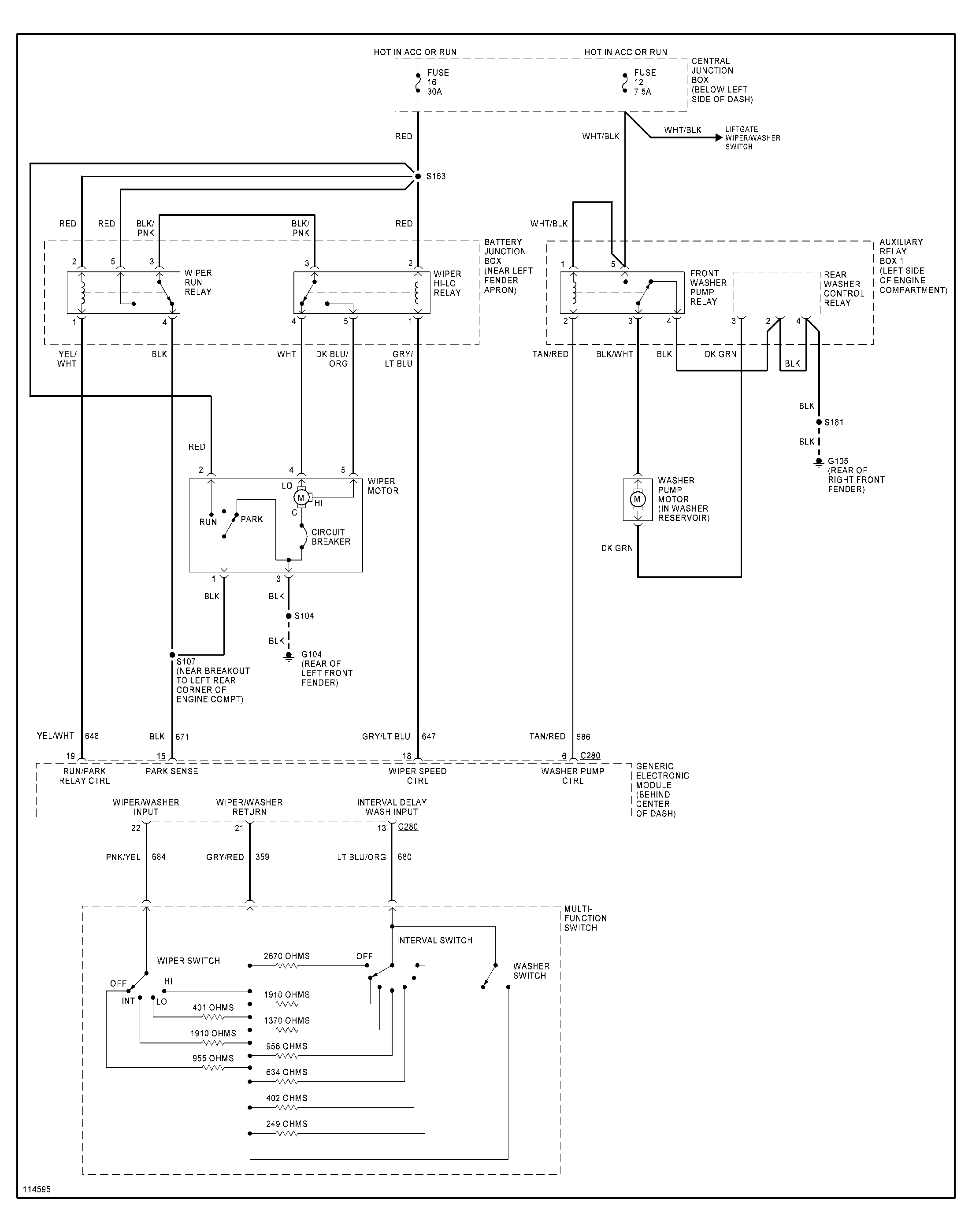
2017 2018 2019 ford f250 f350 bcm theft locking cabin fuse box hu5t 15604. Wiper motor wiper runpark relay coil wiper hilo relay coil washer pump relay coil. The fuse panel is located below and to the left of the steering wheel by the brake pedal. Not used 1999 2000 running board lamp left front. 2003 2004 ford f250 f350 super duty 4x4 power steering reservoir tank bottle. In this article we consider the first generation ford f series super duty before a facelift produced from 2000 to 2003.
Cigar lighter power outlet fuses. Here you will find fuse box diagrams of ford f 250 f 350 f 450 f 550 2000 2001 2002 and 2003 get information about the location of the fuse panels inside the car and learn about the assignment of each fuse fuse layout and relay. Wiper control module location on a 2000 f250 the part module i bought has a 14 pin connector. The wipers have not worked since that time. 2000 2001 is the fuse 3 cigar lighter in the instrument panel fuse box and fuses 7 floor console auxiliary powerpoint 9 left rear quarter auxiliary powerpoint and 11 cargo auxiliary powerpoint in the engine compartment fuse box. 1999 2007 ford f250 f350 f450 super duty cruise.
The dealer stated that his vin was not included in nhtsa campaign id number 01v258000 visibilitywindshield wiperwashermotor. Ac clutch relay 2000 2003 f114. 1505 shipping. My f250 lights. Service type windshield wiper module replacement. Running board lamp left rear running board lamp right front running board lamp right rear 2001 2003 f116.
Ford f 250 fuse box diagram passenger compartment. Ford car and truck. I replaced the motor ford f 250 question. Shopdealer price 10024 10793. 2011 2016 ford f250 f350 super duty rear leaf spring shim pinion angle. F350 2004 super duty turn flasher location and replacement.
Ford f 250 fuse box diagrams change across years pick the right year of your vehicle. Ford f 250 1999 2001 fuse box diagram. Not used 1999 2002 15a bi fuel injector module fuel selector switch and alternative fuel injectors bi fuel vehicles only 2003 f117. Service type windshield wiper module replacement. 2010 ford f 250 super duty v10 68l. 2000 ford f 250 super duty v8 54l.
2008 ford f 250 super duty v8 54l. Passenger compartment fuse box. 2995 shipping. Generic electronic module gem powertrain control module pcm. Dome lamp cargo lamp courtesy lamps running board lamps. 1999 2007 ford f250 f350 super duty wiper windshield washer reservoir fluid pump.
Browse categories answer questions. Ford f 250 car and truck. Mass air flow maf sensor 12b579 powertrain control module pcm 12a650 injector 1 9f593. Service type windshield wiper. Ampere rating a description.

















