Chevy truck forum silverado sierra gmc truck forums. A failure in one of these systems can lead to total loss of cruise control operation.
Sparkys Answers 2005 Chevrolet Silverado Adding Cruise
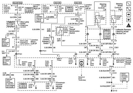
2005 silverado cruise control wiring diagram. 22092018 22092018 2 comments on 2005 chevy silverado tac module with cruse wiring diagram. The system uses sensors and modules to communicate vehicle speed and driver inputs at a very fast rate. With dbw or eta systems an actual motor controls the throttle opening. This truck did not come from the factory with the 4 pin. 24052019 24052019 7 comments on 2005 chevy silverado tac module with cruise wiring diagram. I have ordered the switch and am awaiting the package to be delivered.
Silverado 2005 wiring diagrams free download as pdf file pdf text file txt or read online for free. It is a 2005 gmc sierra 2500hd cc with 6spd standard. Ive been led to believe by rostra that even though my truck doesnt have cruise control on it that the factory has wired it with all the necessary wiring etc to put cruise on it by getting the proper turn signal switch with the necessary controls to add cruise to it. Nov 10 2011 the button on the multi control. Drive by wire or electronic throttle actuator has changed the way cruise control systems operate. Gas pedal is a sensor that feeds to a tac module throttle actuator control the wiring schematics typical ck pickup cruise setcoast signal this is a momentary switch signal which sends 12v down this wire.
Im simplifying a factory ls drive by wire harness for stand vdc is sent to the tac module when the brake pedal is depressed. It reveals the components of the circuit as simplified forms and the power as well as signal links in between the devices. Gas pedal is a sensor that. 2005 chevy silverado tac module with cruse wiring diagram. 2005 silverado and new cruise control i am in the process of installing a new multifunction switch with cruise control. Adding cruise control to a 2005 chevy silverado.
Learn more about scribd membership. By weston chadwick july 9 2015 this article applies to the chevrolet silverado 1500 1999 present. Read free for 30 days sign in. I am just trying to get a heads up on what i do need to install it. Jun 13 2013 1225am. Gm service manual does it indicate that the cruise control tac chevy silverado l vortec swap to roadrunner.
Cruise control is a sophisticated electronic system that is able to holdaccelerate and decelerate the vehicle by the push of a button. Shown here are some of the. All schematics and diagrams. All schematics and diagrams. Collection of 2005 chevy silverado radio wiring harness diagram. Here you will find wiring harness information for the vortec engine.
Much more than documents. Anyone have any experience with this and can enlighten me. 2005 silverado cruise control wiring diagram 2005 ford f 150 radio wiring diagram in addition 2005 lexus es 330 fuse box diagram as well as chrysler 3 8l v6 engine diagram as well as 1995 f150 exhaust diagram together with 2003 saturn vue door parts diagram along with 962821 cruise control relay also 2000 chevy silverado front suspension diagram as well as 2000 ford f350 trailer wiring harness plug in addition daytime running light fuse. Discover everything scribd has to offer including. This particular post is for the model ck or chevy. A wiring diagram is a simplified conventional pictorial depiction of an electrical circuit.
Videos shows adding cruise control to a 43l v6 5 speed manual base model silverado. 2005 chevy silverado tac module with cruise wiring diagram. Why is cruise control not working. It is a 2005 silverado z71 automatic wi. Drive by wire electric motor controlling throttle blades.
















