Do use your sidelights if one of your headlights blows itll let other road users know youre a car rather than a motorbike by showing your width with 2 lights. Diagnosing brake problems.
Golf Cart Lights Wiring Diagram H1 Wiring Diagram
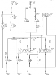
Lights on a car diagram. 5 pin flat connector round style 5 pin connectors also exist trailers with capacity over 3000 total gross trailer weight should have brakes. The orange light are called indicators and are used when the car is turning left or right. Sidelights are the small white lights on the front corners of the car. It reveals the parts of the circuit as simplified shapes and the. This connector is commonly found on most light duty trailers. Different fluids in your vehicle.
Wiring diagram 98 club car gas save ezgo golf cart wiring diagram. Identify the earth wire feeding into the rear lights. Wheel hub assembly info. Vehicle maintenance tips before your next vacation. Get more miles from your ride. Wiring diagram for club car golf cart new wiring diagram harley.
Indicator light means that the diesel fuel filter is full and. Emergency vehicles usually carry distinctive lighting equipment to warn drivers and indicate priority of movement in traffic. Club car wiring diagram gas. Early road vehicles used fuelled lamps before the availability of electric lighting. This lighting pre glows when it is warming up and worn out glow if theres a plug issue. You can identify this wire from wiring diagrams for your car by tracing the wire from the fuse box to the light or by the process of elimination trace the ground wire from the lights to the frame usually near the light assembly and the earth wire will be the other one coming off the lights.
Although you wont actually get much benefit to your visibility by using your sidelights they do still serve an important purpose. Collection of club car wiring diagram gas. If a trailer has brakes then it needs a connector with at least 5 pins. Do use the sidelights when. 5 minute guide to your lawn garden engine. On the vehicle side there will be a female connector while the trailerrv harness will have a male connector.
If it flashes an issue has been detected such as a worn out glow plug. When wiring trailer lights make sure to route the harness away from anything that could damage the wires. It has three poles for basic functions running lights turn signals and brake lights and one pin for the ground. A wiring diagram is a streamlined standard pictorial depiction of an electrical circuit. September 3 2018 january 1 2019 by larry a. Indicator light means that the engines glow plugs are warming up and the engine should not be started until the light goes out.
This lights the roadway for the driver and increases the visibility of the vehicle allowing other drivers and pedestrians to see a vehicles presence position size direction of travel and the drivers intentions regarding direction and speed of travel. Thats not mandatory everywhere but its a good idea. Pothole damage your vehicle. Please see the trailer wiring diagram and connector application chart below. Free wiring diagram menu. When these are on the rear tail lights and number plate are also illuminated.
Wiring and installing lights on a club car precedent golf cart. The earth wire is the wire that feeds power to the lights from the fuse box. The rest you can ignore. Getting the best gas mileage. The red part is used when the head lights are being used so other drivers can see the car in front of them at night time or poor driving conditions. Car dashboard warning lights.
One of the common diesel powered car dashboard light symbols is the glow plug indicator. Back to college vehicle checklist. In this video we will go step by step on how to install a light kit on a club car ebay store. The 4 pin connector only has the first 4 items listed. The ford model t. The white part is called the reverse light and lights up when the car is reversing backwards.
5 things about your brakes. Green right turn signal right brake light. The 5th pin a.


















