I have a 12 hp 110 volt marathon motor and need help wiring it to a forwardreverse switch. Er 6 oedm.
10 Hp Baldor Motor Capacitor Wiring Wiring Library
Marathon 2 hp motor wiring diagram. Collection of marathon electric motor wiring diagram. Marathon electric motor wiring diagram single phase marathon motor wiring diagram download single baldor motor wiring marathon electric motor wiring. Single phase marathon motor wiring diagram marathon electric motor wiring schematic luxury 5 hp electric motor single phase wiring diagram wiring solutions. Wiring for marathon 3 4 hp dryer motor car photos and pictures collection that posted here was carefully chosen and uploaded by author after choosing the ones that are best among the others. 115 overload protection nonerigid base reversible ball bearings class f insulation1 year manufacture warranty bissc baking industry sanitation standards committee certifiedstainless steel wash down motors are use in applications involving challenging caustic environments. Click on the image to.
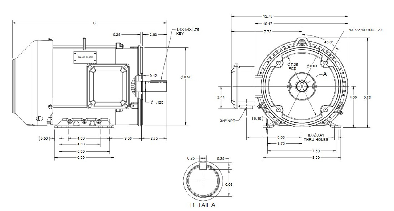
This is a three phase electric motor with a c face mount. Baldor motor wiring diagram impremedia net entrancing diagrams. Wiring diagram sheets detail. Compact axial fans b 3 single phase motors diag. 2 hp 1800 rpm 5829 amps 230460 volts 60hz. This best picture selections about wiring for marathon 3 4 hp dryer motor car is available to save.
Wye start delta run or pws connection 12 lead dual voltage. Each component ought to be placed and linked to other parts in particular way. Wiring diagram 120 volt motor electric diagrams three phase basic. 12 lead wye start delta run or pws single voltage assembled in conduit box. We collect this wonderful picture from online and select the top for you. Marathon electric motor wiring diagram 5 hp marathon electric motor wiring diagram marathon 2 hp electric motor wiring diagram marathon electric ac motor wiring diagram every electrical arrangement is made up of various unique pieces.
Marathon 12 hp low voltage motor wiring 9 wires duration. Er 1 2 4 5 d 5759 ocdes gamma supply series d 3637 diags. These diagrams mainly apply to external rotor motorsbut some standard frame induction motor diagrams have been included for ease of presentation. Three phasenema 56c frame c face stainless steel keyed shaft 58 diameter x 1 78service factor. 2 speed 2 winding single voltage wye connected with current transformers lightning arrestors surge capacitors. Er 1 2 4 5 ocf.
Weg motor starter wiring diagram motors best 3 phase two speed. Marathon motors wiring diagram for printable ac. Single phase marathon motor wiring diagram gallery wiring diagram 120 volt motor electric diagrams three phase basic. Er 1 2 4 5 ocdevgl gl gamma series d 4345 diags. Answered by a verified electrician answered by a verified electrician we use cookies to give you the best possible experience on our website. These diagrams are current at the time of publication check the wiring diagram supplied with the motor.
Pgs ocdedv gamma series d 1417 diags. March 28 2019 1 4 hp marathon motors 1 hp motor mount emerson electric motor replacement direct drive blower motor ac condenser fan motor 120v electric motor 1 hp pool pump motor dayton 1 hp motor 14 tsi engine 200 hp outboard motors ge 1 hp electric motor 1 4 hp fan motor 42y motor dimensions century ac motor 2 hp electric motor motor wiring 56 frame motor bearings electric motor split phase motor 1 hp motor capacitor 1 4 hp ac motor baldor electric motors 1 hp. Otherwise the structure will not work as it should be.
















